走進博控

產品分類

新聞中心

人才中心

聯系我們

產品展示

當前位置: 首頁 > 產品中心 > 高壓元器件 > 產品展示 > 高壓成套開關柜 > KYN28-12金屬鎧裝中置移開式開關設備

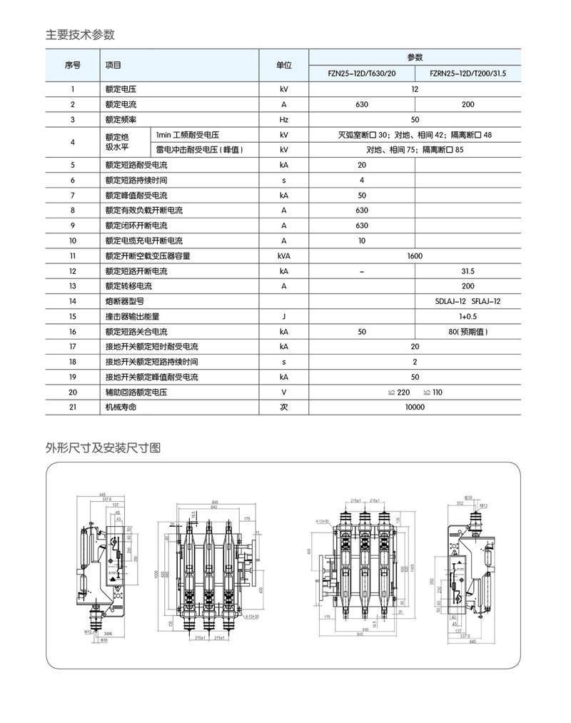
FZN25-12D.FZRN25-12D


地址:樂清市經濟開發區緯十六路191號
電話:0577-62713099
Q Q: 2851939069
郵箱:chbok001@163.com